AIR SEPARATORS

Air Separator Inside View

TANGENTIAL AIR SEPARATORS

Advantages of Air Separation and Elimination

The proper application of EMERALD® Tangential Air S eparator devices will solve your “System Air” problems. These key components are necessary in the design and construction of closed circulation systems.

The EMERALD® line of tangential air separators is designed with tangential openings to create a low-velocity vortex where entrained air is separated and removed from circulation water or anti-freeze in a closed system. In addition, these tangential air separators can be supplied with a stainless strainer to collect unwanted system debris.

EMERALD® tangential air separators are ideally suited to help eliminate problems often associated with trapped systems air such as blocked terminal units, inefficient pump operation and performance, and costly corrosion and fouling of equipment.

The Keys To Efficient Air Separation And Elimination

  • Laminar Flow

  • Low Pressure drop across the air separator.

  • Recommended maximum system fluid velocity of 6 feet/second (1.83M/S).

The Emerald® Advantage

  • EMERALD ® – A leading provider of advanced water system solutions supplies a complete line of quality engineered, cost-efficient heating and water systems that you can count on.

  • ISO 9001-2000 Certified.

  • With over 40 years of experience, EMERALD® sets the standard for service, reliability, innovation, design, and manufacturer of water system equipment.

  • Fully qualified technical staff available to help ensure solid solutions for your water and heating needs.

Benefits

  • Efficient system operation.

  • Decreased maintenance costs.

  • Lower energy consumption.

  • Noise reduction.

  • Minimizes oxygen-induced corrosion and costly chemical water treatment.

  • Protects valves and mechanical seals.

  • Reduces sludge creation.

  • Optimizes pump performance.

  • Reduces pump power requirements (Kwh).

  • Allows for lower pumping capacity.

  • Helps prevent harmful pump cavitation.

  • More effective than conventional "straight flow" separators.

Materials Of Construction

  • Steel – ANSI 150# flange construction.

  • Flanges are as per BS10 Table E

  • All steel body construction.

  • Stainless Steel strainer.

Maximum Operating Conditions

  • Maximum working pressure.

  • 125 psig (8.8 bar).

  • 150 psig (10.5 bar).

  • Maximum operating temperature.

  • 350°F / 177°C.

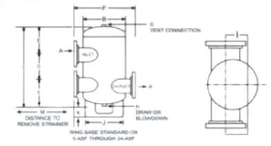
Features

  • Designed, constructed and tested at works.

  • Tangential design with low velocity vortex action.

  • Flanged or grooved pipe connections.

  • Removable stainless steel strainer available.

  • Blowdown connection to enable cleaning of unit and strainer

  • NPT vent connection.

  • Connection sizes 1" to 24".

50mm to 600mm Air Separator without Strainers 50mm to 600mm Air Separator with Strainers
 
Model
EATAS

Without Strainer
Model
EATASF
With Strainer
Dimensions
A B C D E F G H I J K M+
in. in. mm in. mm in mm in mm in mm in in in in mm in mm in mm
1-AS-L - 1 4 1/2 114 12 305 4 102 4 102 7 178 3/4 3/4 1 " " " " " "
2-AS-L 2-ASF 2 10 254 23 584 8 203 7 1/2 191 16 1/4 413 3/4 3/4 3 " " " " 14 356
2 1/2-AS-L 2 1/2-ASF 2 1/2 10 254 23 584 8 203 7 1/2 191 16 1/4 413 3/4 3/4 3 " " " " 14 356
3-AS-L 3-ASF 3 10 254 23 584 8 203 7 1/2 191 17 432 3/4 3/4 3 " " " " 14 356
4-AS-L 4-ASF 4 12 305 24 1/2 622 10 254 7 1/2 184 20 3/4 527 3/4 3/4 3 1/2 " " " " 16 1/2 419
5-AS-L 5-ASF 5 16 406 34 1/2 876 12 305 11 1/2 286 24 610 3/4 3/4 4 1/2 12 3/4 324 4"" 117 21 1/2 546
6-AS-L 6-ASF 6 18 457 41 1041 14 356 13 1/2 343 26 660 3/4 3/4 4 1/4 14 356 4"" 117 23 584
8-AS-L 8-ASF 8 24 610 52 1321 18 457 17 432 32 813 3/4 3/4 5 3/4 16 406 4"" 117 29 737
10-AS-L 10-ASF 10 30 762 59 1/2 1511 22 559 18 1/2 476 40 1016 3/4 3/4 7 3/4 24 610 4"" 117 35 889
12-AS-L 12-ASF 12 36 914 70 1778 26 660 22 559 46 1168 3/4 3/4 7 3/4 30 762 12"" 321 40 1016
14-AS-L 14-ASF 14 42 1067 74 1880 30 762 22 559 52 1321 3/4 3/4 13 30 762 13"" 340 48 1219
16-AS-L 16-ASF 16 48 1219 90 2286 32 813 29 737 64 1626 3 3 15 42 1067 12 1/2 318 56 1422
18-AS-L 18-ASF 18 54 1372 102 2591 36 914 33 1/4 845 64 1626 3 3 16 42 1067 12"" 314 62 1575
20-AS-L 20-ASF 20 60 1524 102 2591 30 762 36 914 70 1778 3 3 19 45 1143 6"" 176 68 1727
22-AS-L 22-ASF 22 60 1524 119 3023 48 1219 35"" 899 70 1778 3 3 18 45 1143 7 178 68 1727
24-AS-L 24-ASF 24 72 1829 137 3480 43 1092 44"" 1133 82 2083 3 3 22 45 1143 8 203 80 2032

Specification | Design May be change without any prior Intimation